| # | DESCRIPTION | MFG# | PART# | PRICE | 
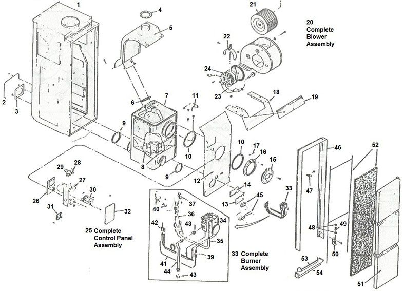
| 1 | Cabinet Assembly - Complete (MAC 1145) Cabinet Assembly - Complete (MAC 1155) Cabinet Assembly - Complete (MAC 1165 & 1168) | 4132100- 4132000- 4131900- | - - - | |
| 2 | Plate - Back | 2078702- | - | |
| 3 | Orifice - Combustion Air (MAC 1145) Orifice - Combustion Air (MAC 1155) Orifice - Combustion Air (MAC 1165) Orifice - Combustion Air (MAC 1168) | 2086102- 2083802- 2084601- 2199600- | - - - - | |
| 4 | Gasket - Upper Flue Pipe | 688103- | - | |
| 5 | Radiator | 4276100- | - | |
| 6 | Gasket - Lower Flue Pipe | 688095- | - | |
| 7 | Heat Exchanger - (MAC 1145) Heat Exchanger - (MAC 1155, 1165, 1168) | 4077404- 4070205- | - - | |
| 8 | Baffle (4) - Heat Exchanger | 2354500- | - | |
| 9 | Gasket - Entry (2) | 668092- | - | |
| 10 | Gasket - Fire Door (2) | 668096- | - | |
| 11 | Burner - Target | 667658- | 231385 | $93.73 | 
| 12 | Panel - Air Casing (MAC - Series) | 4094607- | - | |
| 13 | Lower Cover - Air Casing (MAC - Series) | 2143500- | - | |
| 14 | Upper Cover - Air Casing | 2143600- | - | |
| 15 | Door - Fire (MAC Series) | 3169701- | - | |
| 16 | Extension - Fire Door (MAC - Series) | 3098422- | - | |
| 17 | Hinge Pin - Fire Door (MAC - Series) | 6676440- | - | |
| 18 | Saddle - Air Casing | 3103903- | - | |
| 19 | Plate - Ridge | 2092900- | - | |
| 20 | Blower Assembly - Complete (MAC 1145 & 1155) Blower Assembly - Complete (MAC 1165 & 1168) | 9006720- 9006730- | - - | |
| 21 | Wheel - Blower 8x5 (MAC 1145, 1165 & 1168) Wheel - Blower 9x5 (MAC 1155) | 667002- 667030- | - - | |
| 22 | Upper Band - Motor | 3066801- | - | |
| 23 | Hanger Assembly - Motor | 306670- | - | |
| 24 | Motor - Heating Only, Band MT Motor - Heating Only, Legs Motor - Heating & Cooling | 620164- 901374- 620699- | - - 231043 | $824.35 | 
| 25 | Control Panel Assembly - Complete (MAC 1145) Control Panel Assembly - Complete (MAC 1165, 1168) Control Panel Assembly - Complete (MAC 1165, 1168) | 4212400- 4212500- 4212600- | - - - | |
| 26 | Insulation - Control Panel | 6880721- | - | |
| 27 | Board - Terminal | 6313110- | - | |
| 28 | Switch - On/Off | 6313050- | - | |
| 29 | Receptacle - White (Summer Fan) Receptacle - Black (Heating) | 6314870- 6313000- | - - | |
| 30 | Assembly - Fan & Limit 4 PRG Assembly - Fan & Limit 3 PRG Assembly - Top (MAC 1145) | 626023- 626174- 626025- | - - - | |
| 31 | Transformer | 620825- | 231311 | $105.62 | 
| 32 | Cover - Control Panel | 3083700- | - | |
| 33 | Burner Assembly - Nat. (MAC - Series) Burner Assembly - LP (MAC - Series) | 3270201- 3270101- | - - | |
| 34 | Gas Control - Unitrol Replacement | 6240603- | - | |
| Gas Control - New Style, Type "W" | - | 231335 | $376.45 | |
| 35 | Pipe - Main Burner | 6626490- | - | |
| 36 | Orifice - Main Burner - Nat. (MAC 1145) #30 | 106557- | - | |
| Orifice - Main Burner - LP (MAC 1145) #48 | 106558- | - | ||
| Orifice - Main Burner - Nat. (MAC 1155) #27 | 106555- | - | ||
| Orifice - Main Burner - LP (MAC 1155) #43 | 106556- | 231093 | $12.08 | |
| Orifice - Main Burner - Nat. (MAC 1165) #22 | 106553- | - | ||
| Orifice - Main Burner - LP (MAC 1165) #41 | 106554- | - | ||
| Orifice - Main Burner - Nat. (MAC 1168) #20 | 1187210- | - | ||
| Orifice - Main Burner - LP (MAC 1168) #40 | 118722- | - | ||
| 37 | Shield - Pilot | 2143700- | - | |
| 38 | Burner - Pilot | 660284- | - | |
| Burner - Pilot - Nat. BCR 18 | 660153- | 231084 | $13.44 | |
| Burner - Pilot - LP BBR 10 | 660149- | 231083 | $17.09 | |
| 39 | Tube - Pilot | 3184700- | - | |
| 40 | Electrode - (RG Series) Bracket - Mounting - Electode (RG Series) | 6310810- 2140600- | - - | |
| 41 | Tube - Vent | 3184500- | - | |
| 42 | Thermocouple | 631132- | 231350 | $58.51 | 
| 43 | Connector - Inlet Fuel Line (2) | 6624690- | - | |
| 44 | Line - Inlet Fuel | 3282900- | - | |
| 45 | Ignitor - (RG Series) Lever - Ignitor (RG Series) | 6310720- 6602130- | - - | |
| 46 | Frame - Outer Door | 4126602- | - | |
| 47 | Catch - Door | 7256191- | - | |
| 48 | Washer - Door (2) | 1119400- | - | |
| 49 | Spring - Door | 6677170- | - | |
| 50 | Hinge - Bottom | 2113901- | - | |
| 51 | Door - Outer | 9002090- | - | |
| 52 | Filter - Furnace | 667721 | - | |
| Filter Kit - (Includes filter and three retainers) | 925056 | - | ||
| 53 | Frame - Bottom | 4203200- | - | |
| 54 | Extension - Bottom Frame - Optional | 2173400- | - | 
